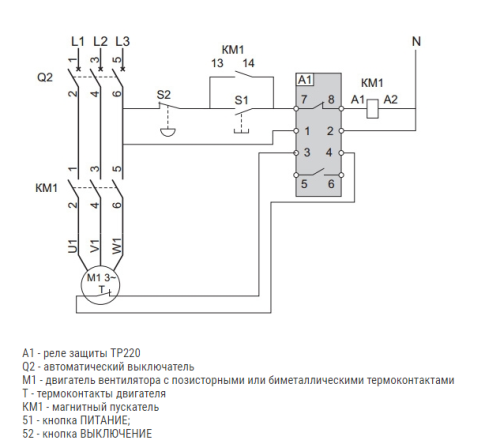
Реле защиты двигателя ТР220 на DIN-рейку
Артикул:
21-0000-520
О товаре
Цвет:
Белый
Класс защиты IP:
IP20
Материал:
Пластик
Страна производитель:
Россия
Макс. рабочая температура (°С):
40
Мин. рабочая температура (°С):
1
Все характеристики
5 244 руб.
Под заказ
Под заказ
Наши менеджеры обязательно свяжутся с вами и уточнят условия заказа
Цена действительна только для интернет-магазина и может отличаться от цен в розничных магазинах
Описание
Реле ТР220 защищает обмотки трехфазных асинхронных электродвигателей от перегрева.
Реле защиты используется для двигателей, имеющих как биметаллические, так и позисторные (термисторные) термоконтакты.
Если температура обмоток двигателя превышает допустимую величину, то термоконтакты двигателя дают сигнал на реле защиты, которое отключает питание катушки магнитного пускателя. При этом реле ТР220 может включить резервный вентилятор или подать сигнал о неисправности на пульт оператора.
ТР220 гарантированно обеспечит защиту трехфазного двигателя вентилятора или насоса в следующих случаях:
- перегрузка по току двигателя вентилятора, при неправильном расчете параметров системы вентиляции (особенно важно для радиальных вентиляторов);
- обрыв, замыкание обмоток или перекос фаз питания двигателя;
- заклинивание вала двигателя при попадании внутрь инородного тела;
- нарушение охлаждения двигателя;
- эксплуатация двигателя в помещениях с высокой температурой.
Установка реле ТР220 особенно рекомендуется в вентиляционных системах, где скорость вращения двигателя изменяется при помощи частотного регулятора.
ОПИСАНИЕ РАБОТЫ
Реле защиты имеет два режима функционирования: «Работа» - при этом горит только зеленый светодиод СЕТЬ и «Авария», когда загорается красный светодиод АВАРИЯ. Режиму «Работа» соответствует нормальная температура обмоток двигателя, а при «Аварии» она повышена, либо поврежден кабель, соединяющий контакты термозащиты на двигателе и реле ТР220. В аварийном режиме реле защиты переходит в состояние «замок», выйти из которого, после устранения причин перегрева двигателя, можно нажатием кнопки СБРОС или при повторном включении питания. При помощи переключателя устанавливается тип термоконтактов: ВМ - двигатель с биметаллическими термоконтактами, РТС - у двигателя позисторные (термисторные) термоконтакты. Реле защиты также реагирует на обрыв термоконтактов двигателя и выходит в режим «Авария».
ТЕХНИЧЕСКИЕ ХАРАКТЕРИСТИКИ
Первичное напряжение: ~220 В ± 15%
Сопротивление позисторных термоконтактов в режиме «Работа»: от 36 до 3600 Ом
Время срабатывания защиты: менее 1 с
Диапазон рабочих температур: 0 ... 40 °С
Степень защиты: IP20
Присоединение: через зажимы для гибких проводов сечением до 2,5 мм²
Усилие затяжки: 0,3 Н*м
Характеристики выходного реле: две пары переключающих контактов
Максимальный ток переключения: 8 А при ~220 В
Электрическая износостойкость: не менее 100000 циклов
Реле защиты используется для двигателей, имеющих как биметаллические, так и позисторные (термисторные) термоконтакты.
Если температура обмоток двигателя превышает допустимую величину, то термоконтакты двигателя дают сигнал на реле защиты, которое отключает питание катушки магнитного пускателя. При этом реле ТР220 может включить резервный вентилятор или подать сигнал о неисправности на пульт оператора.
ТР220 гарантированно обеспечит защиту трехфазного двигателя вентилятора или насоса в следующих случаях:
- перегрузка по току двигателя вентилятора, при неправильном расчете параметров системы вентиляции (особенно важно для радиальных вентиляторов);
- обрыв, замыкание обмоток или перекос фаз питания двигателя;
- заклинивание вала двигателя при попадании внутрь инородного тела;
- нарушение охлаждения двигателя;
- эксплуатация двигателя в помещениях с высокой температурой.
Установка реле ТР220 особенно рекомендуется в вентиляционных системах, где скорость вращения двигателя изменяется при помощи частотного регулятора.
ОПИСАНИЕ РАБОТЫ
Реле защиты имеет два режима функционирования: «Работа» - при этом горит только зеленый светодиод СЕТЬ и «Авария», когда загорается красный светодиод АВАРИЯ. Режиму «Работа» соответствует нормальная температура обмоток двигателя, а при «Аварии» она повышена, либо поврежден кабель, соединяющий контакты термозащиты на двигателе и реле ТР220. В аварийном режиме реле защиты переходит в состояние «замок», выйти из которого, после устранения причин перегрева двигателя, можно нажатием кнопки СБРОС или при повторном включении питания. При помощи переключателя устанавливается тип термоконтактов: ВМ - двигатель с биметаллическими термоконтактами, РТС - у двигателя позисторные (термисторные) термоконтакты. Реле защиты также реагирует на обрыв термоконтактов двигателя и выходит в режим «Авария».
ТЕХНИЧЕСКИЕ ХАРАКТЕРИСТИКИ
Первичное напряжение: ~220 В ± 15%
Сопротивление позисторных термоконтактов в режиме «Работа»: от 36 до 3600 Ом
Время срабатывания защиты: менее 1 с
Диапазон рабочих температур: 0 ... 40 °С
Степень защиты: IP20
Присоединение: через зажимы для гибких проводов сечением до 2,5 мм²
Усилие затяжки: 0,3 Н*м
Характеристики выходного реле: две пары переключающих контактов
Максимальный ток переключения: 8 А при ~220 В
Электрическая износостойкость: не менее 100000 циклов
Характеристики
|
Цвет
|
Белый |
|
Класс защиты IP
|
IP20 |
|
Материал
|
Пластик |
|
Страна производитель
|
Россия |
|
Макс. рабочая температура (°С)
|
40 |
|
Мин. рабочая температура (°С)
|
1 |
|
Габариты (ШхВхГ)
|
36х92х58 |
|
Вес (кг)
|
0.2 |
|
Максимальный ток, А
|
8 |
|
Гарантийный срок
|
1 год |
Файлы
Полная техническая информация
96,8 кб



